Sign in
Resister
Japanese
English
Product Category
Product Category
Screwless terminal blocks
Screw terminal blocks
Fuseholder
Fuse
Chip LED indicator light
LED bracket
Neon bracket
Control knob
Connector&Consent
Socket
Binding post, Tip plug&Jack
Clip
Bushing
Lug
Others
Discontinued Category
Environment
About SATO PARTS
Contact us
My list
Added to My List
SATO PARTS CO.,LTD.
Product Category
Screwless Terminal Blocks
Product mass
Product mass
Precautions for use
General notes
ML-860-VBX
made in JAPAN
Pitch 10mm
for power supply
Solid wire only
2025-12-19
See other change notifications
Order model number
Order model number
ML-860-VBX
Order example
ML-860-VBX
Basic information
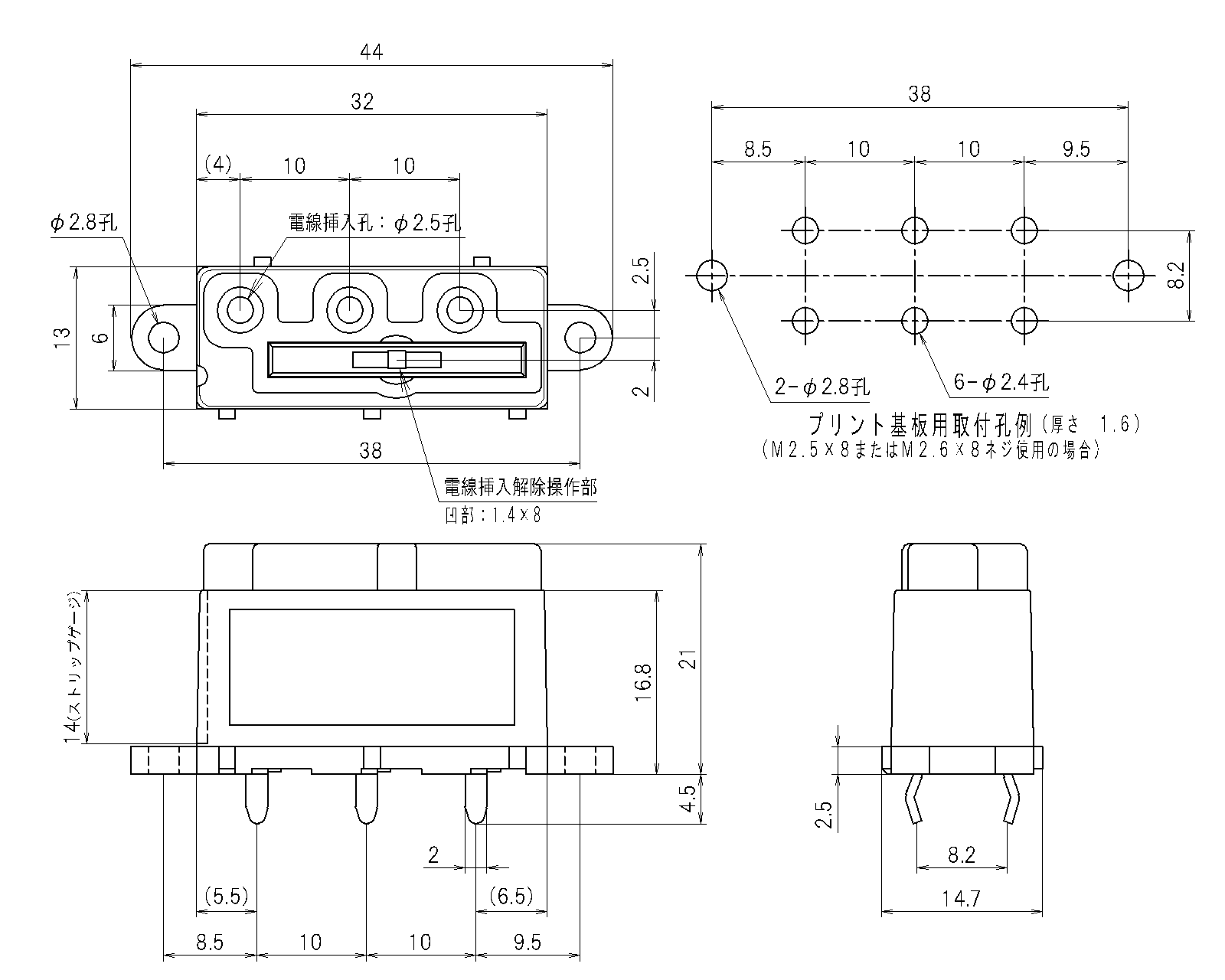
Dimension
Soldering heat resistance conditions
Download
Dimension
Unit:mm
Add to My List
Sample request (Only available in Japan)